Nanopapir fjerner olje fra vann

En ny membran laget av et tett nett av nanotråder har potensial til å suge opp 20 ganger sin egen vekt i oljesøl, uten å absorbere noe vann.

Publisert

Denne artikkelen er over ti år gammel og kan inneholde utdatert informasjon.

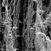
"Nettet av nanotråder som MITs nye oljeabsorberende materiale er laget av. Bildene viser gradvis sterkere forstørrelse. (Foto: Francesco Stellacci, MIT, and Nature Nanotechnology)"

Nanoteknologi

Nye teknikker for syntese og bearbeiding, herunder flytting av og bygging med naturens byggesteiner (atomer, molekyler eller makromolekyler).

På denne måten designes funksjonelle materialer, komponenter og systemer med attraktive egenskaper og funksjoner.

Skalaen er utenkelig liten - på atom og molekylnivå. Området 0,1 til 100 nanometer (nm) spiller en avgjørende rolle.

1 nanometer = 1 milliarddel av 1 meter = 10-9 meter = 0,000000001 meter.

Lørdag 24. mai pumpet StatoilHydro 1,4 millioner liter oljeholdig vann ut i sjøen på grunn av en lekkasje i plattformen Statfjord A.

Et av norgeshistoriens største oljeutslipp skjedde ved Statfjordfeltet 12. desember i fjor, da nærmere 4 000 tonn råolje ble sluppet ut i sjøen under lasting til skip.

Bare siden årtusenskiftet har rundt 200 000 tonn oljesøl havnet i sjøen ved forskjellige uhell, melder tidsskriftet Nature.

Nanotråder

Å begrense skadene fra slike utslipp er en stor utfordring, for oljesølet er vanskelig å fjerne. Det finnes allerede materialer som brukes til å absorbere oljesøl, men ett av problemene er at de også absorberer vann.

"Et oljeabsorberende nanoark ligger ved siden av en penn for å gi et inntrykk av størrelsen. (Foto: Francesco Stellacci, MIT, and Nature Nanotechnology)"

- Der er et klart behov for materialer som kan fjerne olje fra marine miljøer raskt og effektivt, skriver Nature.

Den nye membranen, som er utviklet av forskere i USA, er laget av nanotråder i materialet manganoksid. Trådene danner et spagettilignende nett, slik at membranen, som er på tykkelse med et papirark, er veldig porøs.

Forskerne har ennå ikke testet nanopapiret utenfor laboratoriet, men de mener det vil være enkelt å produsere i store mengder.

Kan gjenbrukes

Etter å ha sugd til seg oljesøl eller andre oljeaktige stoffer, kan materialet varmes opp så oljen kan hentes ut ved hjelp av fordamping. Etterpå kan nanopapiret brukes på nytt.

- Flere materialer kan absorbere denne typen stoffer fra vann, men dette er unikt fordi det også avstøter nesten 100 prosent av vannet, sier Francesco Stellacci ved Massachusetts Institute of Technology (MIT) til Nature.

"Her brukes materialet til å fjerne et lag med blåfarget bensin fra en krukke med vann. (Foto: Francesco Stellacci, MIT, and Nature Nanotechnology)"

For å lage membranen, har Stellacci og kollegaene tatt i bruk en kjent teknikk for å lage ark av nanotråder. Trådene var omtrent 20 nanometer i diameter, og samlet seg selv i en flokelignende struktur.

Et lag med silikon ble tilført membranen for å gjøre den vannavstøtende.

- Blåkopi

Siden membranen for det meste er luft, fungerer den som en svamp, og trekker til seg flytende væske. Men fordi overflaten er vannavstøtende, absorberer membranen selektivt vannavstøtende stoffer som olje, skriver Nature.

I tillegg til oljesøl, kan membranen også absorbere giftige stoffer som benzen.

- Stellacci og kolleger har kommet med et eksempel på et nanomateriale som er designet på en effektiv måte for å takle store miljømessige utfordringer, skriver Joerg Lahann i en kommentar i Nature.

- Det er vanskelig å forutsi om denne bestemte membranen vil bli tatt i bruk kommersielt, men den utgjør i alle fall en blåkopi som kan guide designet av fremtidige nanomaterialer til miljømessige applikasjoner, skriver han.

Giftig

Tidligere studier av nanomateriale laget av manganoksid har vist en viss forgiftende effekt hos pattedyr.

Forskerne mener imidlertid at den nye membranen er mekanisk robust, slik at materialet ikke vil brytes ned i store mengder og havne i miljøet.

Dessuten kan det hende at andre materialer kan lages av andre stoffer, med de samme egenskapene.

Referanser:

Jikang Yuan, Xiaogang Liu, Ozge Akbulut, Junqing Hu, Steven L. Suib, Jing Kong & Francesco Stellacci; Superwetting nanowire membranes for selective absorption; Nature Nanotechnology; 30. may 2008; doi:10.1038/nnano.2008.136.

Joerg Lahann; Environmental nanotechnology: Nanomaterials clean up; Nature Nanotechnology; 30 mai 2008; doi:10.1038/nnano.2008.143

Lenker:

MIT: MIT develops a ’paper towel’ for oil spills

Nature: Nanosponges could soak up oil spills

 

Powered by Labrador CMS